产品选型
选择臂展
  • 不限
  • 1.5米以内
  • 2米以内
  • 2.5米以内
  • 3米以内
  • 4米以内
选择负载
  • 不限
  • 10kg以内
  • 30kg以内
  • 50kg以内
  • 100kg以内
  • 200kg以内
  • 400kg以内
选型工具
嘿,您好
我能帮上什么忙?

给28圈电竞留言

请留言

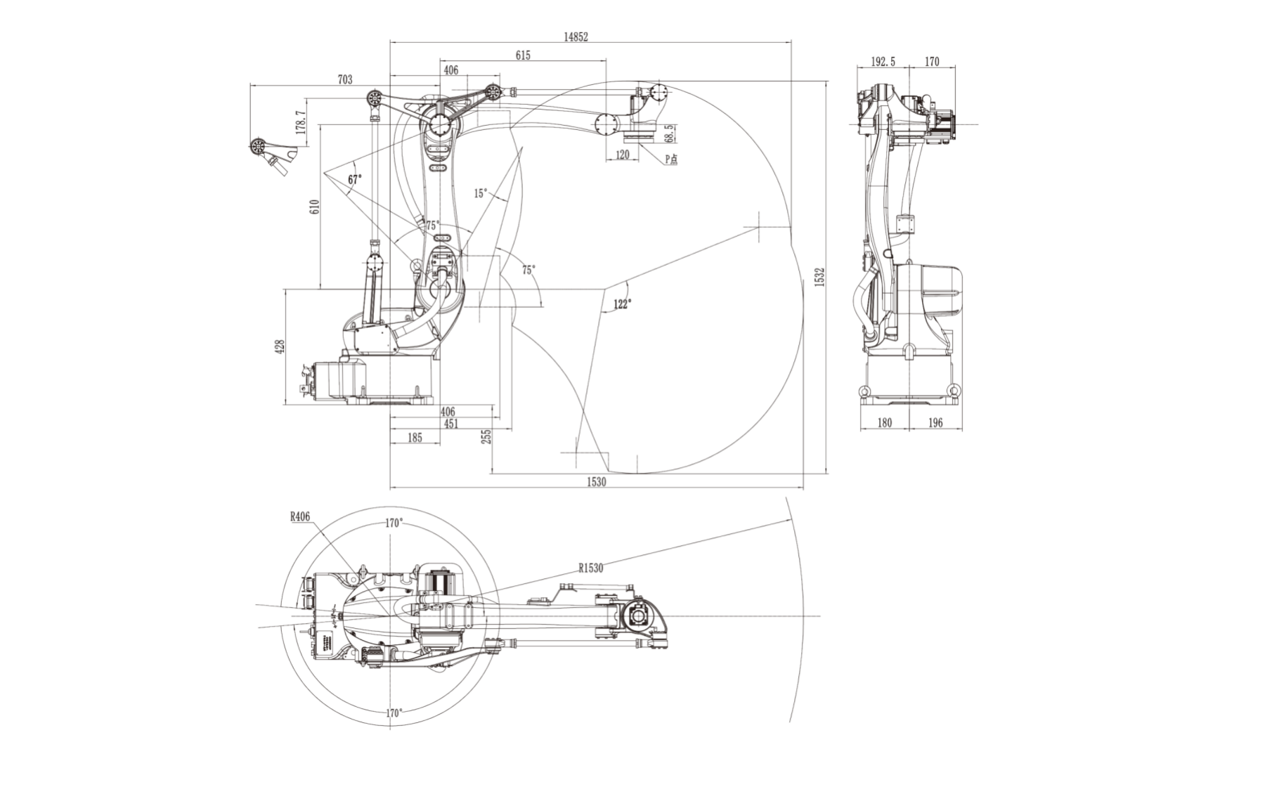
CRP-RP15-15
描述
工业码垛机器人
产品宣传视频
播放视频
功能特点

• 高速度、高精度、高稳定性,能适应更多的应用场景。

• 拉杆关节采用高防护设计,其寿命更长,防水防尘性能更好,且使用寿命内免维护。

• 配备专用冲压,码垛工艺包,定制化界面,使用操作更简单方便。

• J4轴采用刚性更强的减速机,承载能力更强。

• 重力补偿功能,在任意位姿都能保证机器人精度。

• 自适应加速度,提高机器人寿命,保证任意轨迹加速更合理,运动更高效。


技术参数

安装接口图

工作范围图