产品
28圈电竞焊接/搬运专家
始于焊接,不止于焊接
始于焊接,不止于焊接
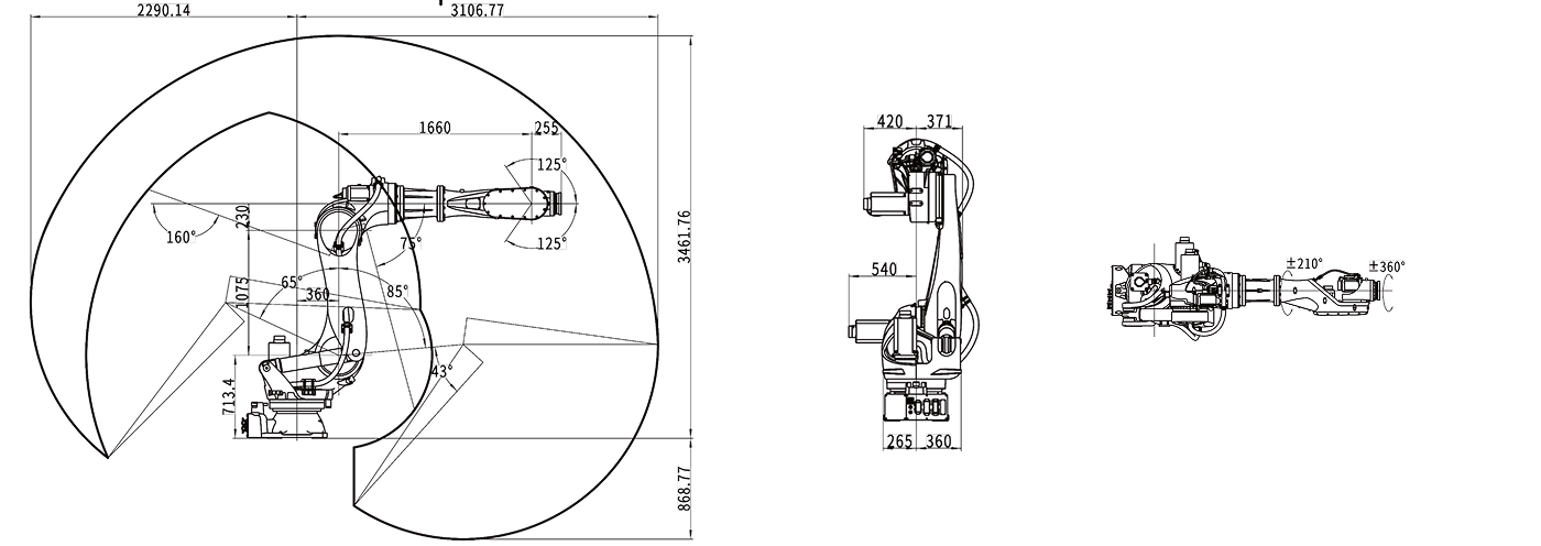
刚性高,负载能力强,运行更平稳。
本体采中空手臂结构与内置手腕电缆,无需考虑外部缠绕方式导致与相邻机器人或周边设备相互产生的干涉。
电机内置,外观简洁,适于狭小空间作业,运动更灵活。
根据用户使用场景,提供多种可选配置,可用于点焊、搬运、打磨,组装等生产线。
本体电缆采用柔性机器人专用电缆。
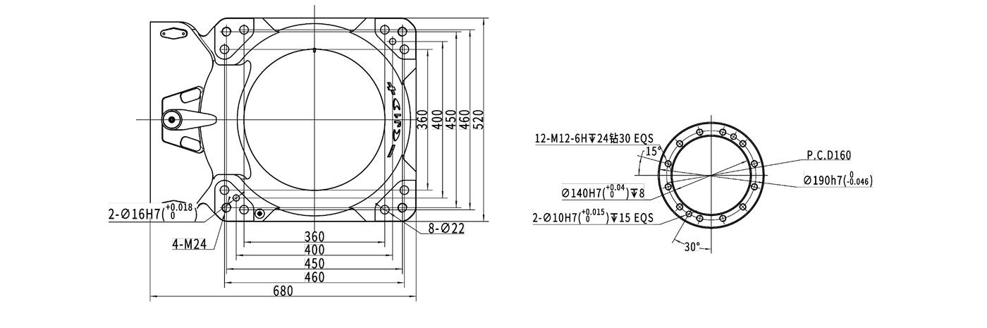
本体可配置Φ12双回路气管满足焊接、搬运的需求。
采用高速、高过载能力伺服电机、高精度RV减速机与最新防振控制策略等,缩短节距操作时间。
整机安装占地面积少,可实现高密集度的安装布线,多台协作工作。
机器人结构简洁,操作界面友好,易于维护保养,易操作。


