Product
Arm Span
  • no limit
  • Within 1.5 meters
  • Within 2 meters
  • Within 2.5 meters
  • Within 3 meters
  • Within 4 meters
Load
  • no limit
  • Within 10kg
  • Within 30kg
  • Within 50kg
  • Within 100kg
  • Within 200kg
  • Within 400kg
Selection tool
Hey, hello
What can I do to help?

Leave us a message

Please leave a message

CRP-RH18-20-W
Describe
INDUSTRIAL ROBOTWELDING APPLICATION
FUNCTIONAL FEATURES
  • The arm span is nearly 1.8 meters. The design is highly compact and can be flexibly installed on the ground or upside down.

  • With large working space, fast running speed and high repeated positioning accuracy, itis suitable for wide range of welding applications.

  • The safety emergency stop board independent ofthe control system is equipped with.and the safety relay circuit is adopted to provide double-circuit emergency stop toensure the reliability of emergency stop.

  • The robot body adopts highly flexible special cable.

  • Built-in three-phase transformer makes 380V and 220V isolated to help the power supply more stable.

  • Built-in three-phase filter can effectively improve the performance of EMC and EMl.

  • The robot bodyis with dual-circuit gas pipe to meet the welding demand.

  • Theinner diameter of 6-axis middle hole is 44mm, it can meet the installation requirements of water-cooling torch and bellows torch.

  • Highly flexible welding cable is built-in.

ROBOT BODY TECHNICAL PARAMETERS

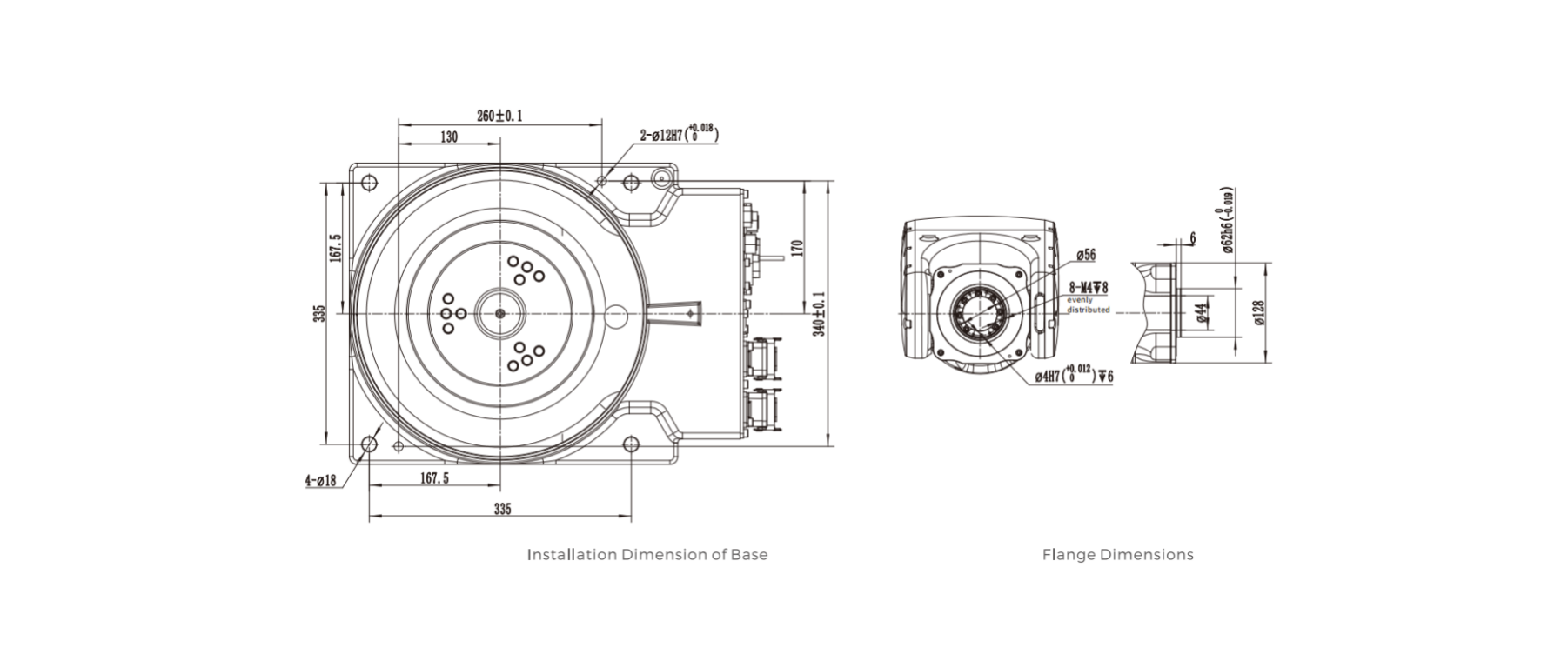
INSTALLATION INTERFACE DIAGRAM

MOTION RANGE DIAGRAM